
简要描述:米兰app下载免费安装苹果手机缓开快闭止回阀概述:缓开快闭止回阀采用双室驱动装置,Y型结构。介质在定向运动···
型号:DY30BX
价格:
时间:2023-09-01
浏览:754米兰app下载免费安装苹果手机缓开快闭止回阀概述:
缓开快闭止回阀采用双室驱动装置,Y型结构。介质在定向运动中具有半直线水流,过流量大,压力损失小,启闭运行平稳、不产生压力波动等优点。双室驱动装置可作为一个整体拆卸,便于检查,膜片采用尼龙强化橡胶制成,合用寿命长,阀瓣密封件可拆卸,维修更方便。
DY30BX缓开快闭止回阀它包括阀体内设阀座、阀杆、以及与阀体连接的上阀盖与下阀盖等零件组成。上阀盖与下阀盖之间为隔膜腔,隔膜腔内设隔膜,隔膜与中心轴连接,中心轴另一端连接阀门,阀门与阀座接触。水容器与上阀盖进水、出水控制孔连通,水容器与上阀盖出水为节流连通,水容器与上阀盖进水为单向连通。该阀缓慢开启,防止电流冲击及网中压力冲击;快速关闭,防止水锤产生。无水质要求,可用于污水、清水及原水系统。
米兰app下载免费安装苹果手机缓开快闭止回阀性能参数:
公称通径:DN40-DN800
公称压力:1.6Mpa-2.5Mpa
适用温度:-10℃~80℃
适用介质:水、油、性质接近水的液体
阀体材质:铸铁、铸钢、碳钢、不锈钢
连接方式:法兰连接
连接尺寸:GB/T17241.6
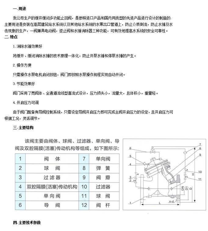
米兰app下载免费安装苹果手机缓开快闭止回阀结构图:

| 如果你对 米兰app下载免费安装苹果手机缓开快闭止回阀感兴趣,想了解更详细的产品信息,填写下表直接与厂家联系: |

【扫一扫加微信】