
简要描述:米兰app下载免费安装苹果手机黄铜旋塞阀概述:黄铜旋塞阀是关闭件或柱塞形的旋转阀,通过旋转90度使阀塞上的···
型号:X14F-16T
价格:
时间:2023-08-12
浏览:683米兰app下载免费安装苹果手机黄铜旋塞阀概述:
黄铜旋塞阀是关闭件或柱塞形的旋转阀,通过旋转90度使阀塞上的通道口与阀体上的通道口相通或分开,实现开启或关闭的一种阀门。它的阀塞的形状可成圆柱形或圆锥形。在圆柱形阀塞中,通道一般成矩形;而在锥形阀塞中,通道成梯形。这些形状使旋塞阀的结构变得轻巧。zui适于作为切断和接通介质以及分流适用,但是依据适用的性质和密封面的耐冲蚀性,有时也可用于节流。
米兰app下载免费安装苹果手机黄铜旋塞阀结构图:

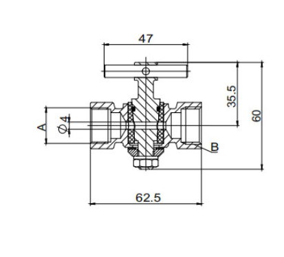
米兰app下载免费安装苹果手机黄铜旋塞阀参数图:

| 如果你对 米兰app下载免费安装苹果手机黄铜旋塞阀851/852A感兴趣,想了解更详细的产品信息,填写下表直接与厂家联系: |

【扫一扫加微信】